
上海帕特泵業真空泵的中真空系統
2012-05-24
上海帕特泵業真空泵的中真空系統
真空泵的中真空系統一般是由兩個以上的真空泵申聯組成的。
(1)油增壓泵串聯油封機械泵組成的真空系統。該系統的工作壓力范圍為1.33~1.33*10-1Pa.其優點是系統簡單.抽氣能力大.振動小.工作穩定可靠,維修方便。缺點是預抽時間比羅茨泵系統長。
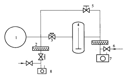
(2)羅茨泵串聯油封機械泵的真空系統。該系統的工作壓力范圍為1. 33~1333Pa.優點是抽氣能力大,啟動快.預抽時間短。缺點是工作時噪聲較大。圖1為這種系統的典型示意圖。
(3)羅茨泵申聯小型羅茨泵(中間泵),再串聯機械泵的真空系統。系統的工作壓力范圍為0.133-1333Pa。該系統不但其備了羅茨泵系統的特點.而且加寬了工作壓力范圍和壓縮比。
(4)羅茨泵串聯水環泵的真空系統。該系統適合于排出灰塵較多的應用設備上.

圖1離子滲碳及淬火爐的真空系統
1-洛碳室2-除塵器3-氣動閥4-羅茨泵5-粗抽閥6-壓差放氣閥7-前級機城泵8-維持機械泵
上海帕特泵業制造有限公司
2012年05月24日 星期四
下面給大家介紹一下上海帕特泵業制造有限公司生產真空泵相關產品:
1、SK系列水環真空泵 2、2BV系列水環真空泵 3、2X系列旋片真空泵 4、XD系列真空泵
5、SZB懸臂式水環真空泵 6、2XZ系列水環真空泵 7、SZ系列水環真空泵 8、2SK系列水環真空泵
關于 真空泵,離心泵,立式離心泵,管道離心泵,單級雙吸離心泵,臥式離心泵,化工離心泵,多級泵,化工泵,磁力泵,螺桿泵,上海離心泵,水泵,泵 的新聞








